技術電話:17301986536加盟電話:13689528587

柱式傳感器MK611
產品名稱:MK611 柱式稱重傳感器
產品特點:MK611 柱式稱重傳感器高穩定性,高可靠性。
產品用途:MK611 柱式稱重傳感器廣泛適用于測力、稱重及其他力值的測量與控制系統。
量程:200kN(20t)、500kN(50t)、1000kN(100t)、2000kN(200t)
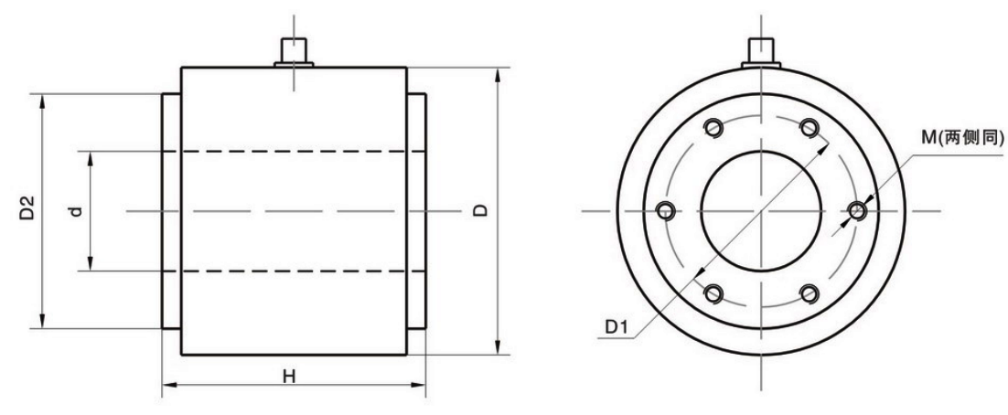
技術參數及外形尺寸:
序號 | 產品技術參數 | |
1 | 額定載荷 | 20t,50t,100t,200t |
2 | 綜合精度 | 0.5%F.S |
3 | 靈敏度 | 1-1.5mV/V |
4 | 非線性 | ≦0.5%F.S |
5 | 重復性 | ≦0.1%F.S |
6 | 滯后 | ≦0.5%F.S |
7 | 零點溫度影響 | ±0.5%F.S/10℃ |
8 | 輸出溫度影響 | ±0.5%F.S/10℃ |
9 | 零點輸出 | ±1%F.S |
10 | 輸入阻抗 | 380/760Ω |
11 | 輸出阻抗 | 350/700Ω |
12 | 絕緣阻抗 | ?2000MΩ |
13 | 激勵電壓 | 10V(DC) |
14 | 工作溫度范圍 | -30~70℃ |
15 | 安全過載 | 120%F.S |
15 | 材質 | 合金鋼 |
17 | 接線方式 | 紅……E+(輸入正) 黑……E-(輸入負) 綠……S+(輸出正) 白……S-(輸出負) |

型號 | 量程(kN) | 量程(t) | D | D1 | D2 | d | H | M |
| MK611 | 200 | 20 | 90 | 61 | 68 | 43 | 80 | 4-M6 |
500 | 50 | 130 | 93 | 108 | 65 | 110 | 6-M8 | |
1000 | 100 | 160 | 113 | 128 | 85 | 110 | 6-M12 | |
2000 | 200 | 220 | 170 | 190 | 120 | 120 | 6-M12 |
密克傳感器(深圳)有限公司是傳感器源頭生產廠家,致力于測力傳感器的研發生產。產品達百余種,廣泛應用于各種工業自動化、機器人、化工、食品、冶金以及醫療等新型和智能化高端領域。按結構分有輪輻式傳感器,S型傳感器,波紋管傳感器,法蘭盤傳感器,柱式傳感器,扭矩傳感器,平行梁傳感器,拉力傳感器等等,按功能應用場景分有試驗機專用傳感器,攪拌站傳感器,稱重傳感器,包裝機傳感器,壓裝機傳感器,價格美麗,可定制。
密克斯生產的MK611 柱式稱重傳感器廣泛適用于測力、稱重及其他力值的測量與控制系統。
