技術電話:17301986536加盟電話:13689528587

柱式傳感器MK601
產品特點:MK601 柱式稱重傳感器具有精度高,安裝簡便,防潮性能好等特點。
產品用途:MK601 柱式稱重傳感器適用于電子皮帶秤,包裝秤等。
量程:MK601 : 1.5 kN(150kg)、10kN(1t)、20kN(2t)、30kN(3t)
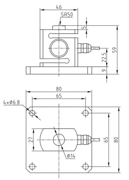
技術參數及外形尺寸:
序號 | 產品技術參數 | |
1 | 額定載荷 | 1.5kN,10kN,20kN,30kN |
2 | 綜合精度 | ≤0.05%F.S |
3 | 靈敏度 | 2.0mV/V |
4 | 零點輸出 | ≤1%F.S |
5 | 輸入阻抗 | 380±10Ω |
6 | 輸出阻抗 | 350±3Ω |
7 | 絕緣阻抗 | ≥5000MΩ |
8 | 補償溫度范圍 | -10~40℃ |
9 | 使用溫度范圍 | -20~60℃ |
10 | 安全過載 | 120%F.S |
11 | 材質 | 合金鋼 |
12 | 激勵電壓 | 10V(DC) |
13 | 接線方式 | 紅……E+(輸入正) 黑……E-(輸入負) 綠……S+(輸出正) 白……S-(輸出負) |
MK601結構圖

密克傳感器(深圳)有限公司是傳感器源頭生產廠家,致力于測力傳感器的研發生產。產品達百余種,廣泛應用于各種工業自動化、機器人、化工、食品、冶金以及醫療等新型和智能化高端領域。按結構分有輪輻式傳感器,S型傳感器,波紋管傳感器,法蘭盤傳感器,柱式傳感器,扭矩傳感器,平行梁傳感器,拉力傳感器等等,按功能應用場景分有試驗機專用傳感器,攪拌站傳感器,稱重傳感器,包裝機傳感器,壓裝機傳感器,價格美麗,可定制。
密克斯生產的MK601 柱式稱重傳感器適用于電子皮帶秤,包裝秤等。
