技術電話:17301986536加盟電話:13689528587

壓力傳感器MK1001
產品型號:MK1001
品牌:密克斯
量程:5Mpa,10Mpa,20Mpa,30Mpa,50Mpa,100Mpa,150Mpa,200Mpa,300Mpa
產品特點:MK1001壓力傳感器采用特種不銹鋼制造,耐酸堿腐蝕,精度高,穩定性好,量程范圍廣。
產品用途:MK1001壓力傳感器廣泛應用于化工、冶金等行業測控領域。
量程:5Mpa、10Mpa、20Mpa、50Mpa、100Mpa、200Mpa、300Mpa
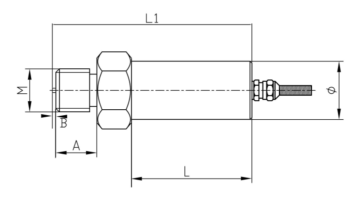
技術參數及外形尺寸:
序號 | 產品技術參數 | |
1 | 額定載荷 | 5Mpa-300Mpa |
2 | 綜合精度 | 0.1-0.5%F.S |
3 | 靈敏度 | 1-1.5mV/V |
4 | 蠕變 | ±0.05%F.S/30min |
5 | 零點輸出 | ±1%F.S |
6 | 零點溫度影響 | ±0.1-0.3%F.S/10℃ |
7 | 輸出溫度影響 | ±0.1-0.3%F.S/10℃ |
8 | 阻抗 | 350Ω/2000Ω |
9 | 絕緣阻抗 | ≥5000MΩ |
10 | 工作溫度 | -10~65℃ |
11 | 安全過載 | 120%F.S |
12 | 材質 | 不銹鋼 |
13 | 接線方式 | 紅……E+(輸入正) 黑……E-(輸入負) 綠……S+(輸出正) 白……S-(輸出負) |

型號 | 量程(Mpa) | M | A | B | L1 | L | Φ | |
帶變送器 | 無變送器 | |||||||
| MK1001 | 5-80 | M20×1.5 | 18 | 2 | 90 | 60 | 59 | 27 |
100-150 | M20×1.5 | / | 2 | 95 | 65 | 65 | 27 | |
200-300 | M27×2 | / | 2 | 115 | 85 | 85 | 30 | |
密克傳感器(深圳)有限公司是傳感器源頭生產廠家,致力于稱重傳感器的研發生產。產品達百余種,廣泛應用于各種工業自動化、機器人、化工、食品、冶金以及醫療等新型和智能化高端領域。按結構分有輪輻式傳感器,S型傳感器,波紋管傳感器,法蘭盤傳感器,柱式傳感器,扭矩傳感器,平行梁傳感器,壓力傳感器,拉力傳感器等等,按功能應用場景分有試驗機專用傳感器,攪拌站傳感器,稱重傳感器,包裝機傳感器,壓裝機傳感器,皮帶秤傳感器,等等;價格美麗,可定制。
