技術電話:17301986536加盟電話:13689528587

微型傳感器MK804
產品特點:MK804 微型傳感器采用S型梁結構,拉、壓均可使用。測量精度高、穩定性好、輸出對稱性好。
產品應用:MK804 微型傳感器廣泛應用于皮帶秤、料斗秤、機電結合秤、萬能材料試驗機、吊鉤秤及各種工程裝置的測力系統。
主要技術參數:

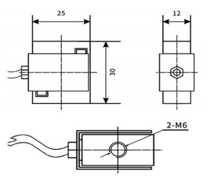
產品結構示意圖:

密克傳感器(深圳)有限公司是傳感器源頭生產廠家,致力于測力傳感器的研發生產。產品達百余種,廣泛應用于各種工業自動化、機器人、化工、食品、冶金以及醫療等新型和智能化高端領域。按結構分有輪輻式傳感器,S型傳感器,波紋管傳感器,法蘭盤傳感器,柱式傳感器,扭矩傳感器,平行梁傳感器,拉力傳感器等等,按功能應用場景分有試驗機專用傳感器,攪拌站傳感器,稱重傳感器,包裝機傳感器,壓裝機傳感器,價格美麗,可定制。
密克生產的MK804 微型傳感器廣泛應用于皮帶秤、料斗秤、機電結合秤、萬能材料試驗機、吊鉤秤及各種工程裝置的測力系統。
