技術電話:17301986536加盟電話:13689528587

S型傳感器MK210
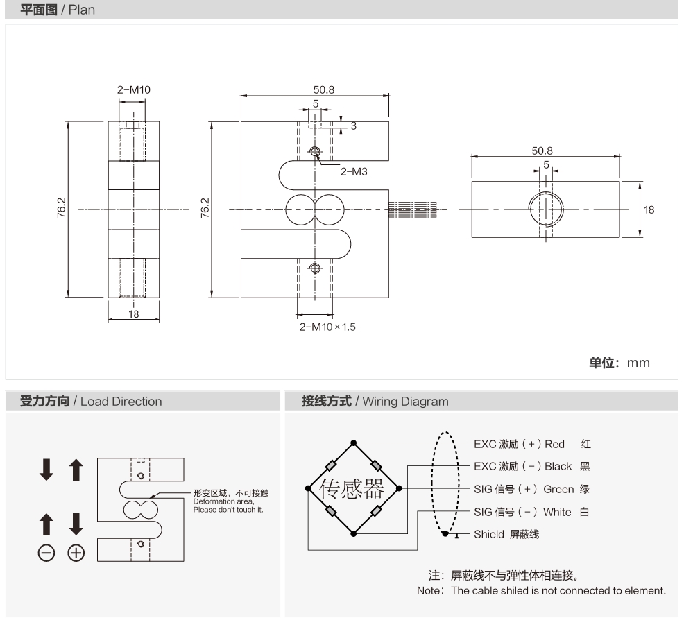
產品型號:MK210
品牌:密克斯
特點:S型傳感器具有結構緊湊、穩定性好、測量范圍廣、線性度和重復性好等特點。其結構為一條S形彎曲梁,由兩個平行的彈性體組成,并在彈性體上安裝有電阻應變片,這種設計使得傳感器在受到外力作用時能夠產生穩定的應變,從而輸出準確的測量信號。此外,S型傳感器還具有多種輸出信號選項,如模擬輸出和數字輸出,方便用戶根據實際需求進行選擇。
量程:50kg,100kg,200kg,500kg.


用途:型傳感器因其高精度和高靈敏度,被廣泛應用于多個領域。在材料試驗機中,它可以用來測量材料的拉力、壓力或重量,實現材料的性能測試和分析。此外,在吊鉤秤、配料秤、小型料斗和包裝秤等設備中,S型傳感器也發揮著重要作用,用于測量物料的重量,實現自動化的稱重控制和管理。同時,它還被廣泛應用于機械制造、汽車工業、航空航天、化工儀表、醫療儀器等領域,幫助實現生產過程的智能化、精密化和高效化。
密克傳感器(深圳)有限公司是傳感器源頭生產廠家,致力于稱重傳感器的研發生產。產品達百余種,廣泛應用于各種工業自動化、機器人、化工、食品、冶金以及醫療等新型和智能化高端領域。按結構分有輪輻式傳感器,S型傳感器,波紋管傳感器,法蘭盤傳感器,柱式傳感器,扭矩傳感器,平行梁傳感器,拉力傳感器等等,按功能應用場景分有試驗機專用傳感器,攪拌站傳感器,稱重傳感器,包裝機傳感器,壓裝機傳感器,皮帶秤傳感器,等等;價格美麗,可定制。
